PRODUCTS CENTER
无线自动灭火装置及系统
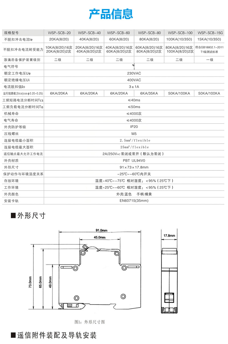
浪涌保护器
智能照明模块
电气火灾监控系统
消防电源模块,主机
控制与保护开关(KBO)
余压控制系统
电力仪表
有源滤波/静止无功发生器
智能操控、自复式过欠压
DTU/无线变送器
UPS电源/EPS电源/蓄电池
扫一扫更精彩
全国免费服务热线029-62602221
西安威森电气有限公司18691560085