产品展示

PRODUCTS

浪涌后备保护器

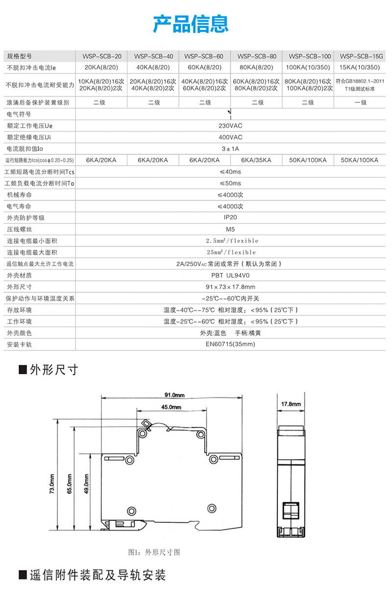
产品详情:



copyright 2017 西安威森电气有限公司 版权所有 陕ICP备14008127号 技术支持:凯天网络